Futtertransport
Unsere Rohrförder- und Förderspiralanlagen können in der Fütterung von Pferden vielfältig eingesetzt werden.
Es besteht die Möglichkeit, Ihre Pferde mithilfe von Volumendosierung oder computergesteuerten Futteranlagen jedes Futter portionsgerecht zu füttern.
Es ist möglich, die Fütterungsanlage mit einer Getreidequetsche und einer Entstaubungsanlage zu kombinieren.
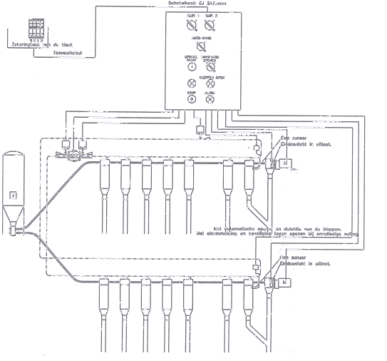
Anlagebeispiel 1

Anlagebeispiel 2



Getreidequetschen
Das sind die Vorteile:
Futterlagerung
Futterlagerung in Silos aus atmungsaktivem Gewebe
Kondenswasserbildung ist ein häufiges Problem bei Silos aus Holz oder Metall. Die Feuchtigkeit kann Schimmel oder Klumpen verursachen, die die Gesundheit Ihres Pferdes gefährden.
Um Ihre Pferde zu füttern, empfehlen wir Ihnen Silos aus Stoffen, die atmungsaktiv sind. Das gelagerte Futter verdirbt nicht und bleibt trocken.
Zusätzliche Vorteile:


Wir helfen Ihnen für einen optimalen Einbau!
Unsere Anlagen helfen Ihnen, Arbeitszeit und Futterkosten zu sparen.
